| Author |
Message |
Skulptorchaz Samba Member

Joined: June 11, 2013 Posts: 874 Location: S.E. Indiana
|
Posted: Mon Nov 23, 2020 4:59 pm Post subject: Alternator/generator light |
|
|
This comes from the file - "I just can't remember".
OK so I have a generator that was rebuilt a few years ago and has an updated regulator as well.
Apparently, it wasn't charging/working properly and I put a diode in line with the wire that comes from the regulator to the fuse block. Worked fine.
In another thread (somewhere) I was told I needed a light in line for the gen to charge. Well, now, since I am rewiring, I'd like to put that light in there but am unsure as to how to go about it. I'd like to use an LED, as opposed to an incandescent, if possible.
I'm not sure what details you would need to help me figure it out but I even provide pix if it will help. I am running a '72 Ghia column and there are 4 wires running to the electronic regulator.
Thanks in advance! |
|
| Back to top |
|
 |
MrGoodtunes Samba Member

Joined: May 14, 2012 Posts: 1055 Location: South Florida
|
Posted: Tue Nov 24, 2020 5:28 pm Post subject: Re: Alternator/generator light |
|
|
| My electronic regulator also has 4 wires, and 1 of them goes to the alt/gen idiot light at bottom of speedometer. But I'm running an alternator, and my bulb is a stock 12volt incandescent VW idiot light. My understanding is that the bulb's tungston fillament has the correct resistance (or whatever electrical property) needed to make the charging system work. There's gotta be somebody who knows a way to do it with an LED. I'd bet it'll be Dale M. |
|
| Back to top |
|
 |
Dale M. Samba Member

Joined: April 12, 2006 Posts: 20892 Location: Just a tiny bit west of Yosemite Valley
|
Posted: Tue Nov 24, 2020 8:25 pm Post subject: Re: Alternator/generator light |
|
|
OK... You guys roped me in...
A LED may work for a GEN light from a VOLTAGE REGULAR as it is just a charge indicator.... Only issue may be getting polarity correct and the LED is rated for 12 Volt operation...
A LED can work with a alternator, BUT it requires some extra circuitry as the alternator needs a quick shot of 12 volts (through bulb/LED) to initialize charging....
Funny is all I have always used is incandescent as its just simpler than experimenting with a lot of LEDS and extra components to get a LED to work with Alternator...
Here is schematic to get LED to work with alternator... Don't think you need it to use LED with voltage regulator for generator though...
Dale _________________ “Fear The Government That Wants To Take Your Guns"
"Kellison Sand Piper Roadster" For Street & Show.
"Joe Pody Sandrover" Buggy with 2180 for Autocross (Sold)
============================================================
All suggestions and advice are purely my own opinion. You are free to ignore them if you wish ... |
|
| Back to top |
|
 |
Skulptorchaz Samba Member

Joined: June 11, 2013 Posts: 874 Location: S.E. Indiana
|
Posted: Wed Nov 25, 2020 12:33 pm Post subject: Re: Alternator/generator light |
|
|
Hey guys, THANK YOU for taking the time. I DO appreciate it!
I am fine with an incandescent bulb. It's just that I have some nice little LED units that I thought would look cool.
I guess I am looking to just wire in an idiot light correctly. I'm not sure I have my buggy wired correctly for that, as it stands.
So, what I have is the blue wire coming from my regulator, thru a diode, up to 12v. at my fuse block. How should I wire it to put in an idiot light? Should the wire come from the regulator to an idiot light and then to the fuse block? That does not seem correct but, I don't know.
To save the trouble, do you know if there is a wiring schematic on the internet somewhere I could go by?
Thanks!!!!!! |
|
| Back to top |
|
 |
Dale M. Samba Member

Joined: April 12, 2006 Posts: 20892 Location: Just a tiny bit west of Yosemite Valley
|
Posted: Wed Nov 25, 2020 2:13 pm Post subject: Re: Alternator/generator light |
|
|
OK....
Wiring GEN light correctly for generator with external regulator is a lead from regulator terminal 61 to lamp and other side of lamp to IGN switch..
For alternator it is a lead from D+ on alternator (one wire alternator) to lamp and other side of lamp to ignition switch...
That simple...
Dale _________________ “Fear The Government That Wants To Take Your Guns"
"Kellison Sand Piper Roadster" For Street & Show.
"Joe Pody Sandrover" Buggy with 2180 for Autocross (Sold)
============================================================
All suggestions and advice are purely my own opinion. You are free to ignore them if you wish ... |
|
| Back to top |
|
 |
Skulptorchaz Samba Member

Joined: June 11, 2013 Posts: 874 Location: S.E. Indiana
|
Posted: Wed Nov 25, 2020 6:16 pm Post subject: Re: Alternator/generator light |
|
|
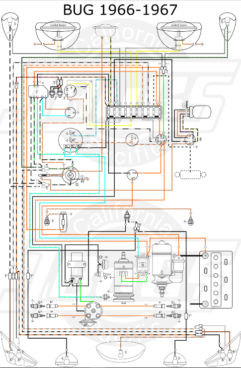
Thanks Dale! Very much appreciated as always. I will try this. I went out looking for an actual schematic and found this.
It seems to be what I am looking for and way more simple than I thought. I will try it with both LED and incandescent but I may just stay with an original light in the gauge cluster if I have the socket. It's cleaner that way.
Thank you again. |
|
| Back to top |
|
 |
Dale M. Samba Member

Joined: April 12, 2006 Posts: 20892 Location: Just a tiny bit west of Yosemite Valley
|
Posted: Wed Nov 25, 2020 7:25 pm Post subject: Re: Alternator/generator light |
|
|
Actually all the stock wiring diagrams you may need are right here in this site, found under the "Technical" tab in header....
OR if you want simple...
Dale _________________ “Fear The Government That Wants To Take Your Guns"
"Kellison Sand Piper Roadster" For Street & Show.
"Joe Pody Sandrover" Buggy with 2180 for Autocross (Sold)
============================================================
All suggestions and advice are purely my own opinion. You are free to ignore them if you wish ... |
|
| Back to top |
|
 |
Skulptorchaz Samba Member

Joined: June 11, 2013 Posts: 874 Location: S.E. Indiana
|
Posted: Fri Nov 27, 2020 10:30 am Post subject: Re: Alternator/generator light |
|
|
Well, I gotta do something different. I ran the blue wire from the regulator, to a light, to the on wire coming off the ignition switch (black) and the light just stays on when the switch is on, whether the engine is running or not.
Is the regulator supposed to break the ground when the engine is running for the light to go out? That circuit also has the coil wire on it but no grounds per se.
BTW, my steering golumn is out of '72 ghia so I am going by that schematic in the Tech Section.
Suggestions? |
|
| Back to top |
|
 |
MrGoodtunes Samba Member

Joined: May 14, 2012 Posts: 1055 Location: South Florida
|
Posted: Fri Nov 27, 2020 1:50 pm Post subject: Re: Alternator/generator light |
|
|
| Skulptorchaz wrote: |
| ... Is the regulator supposed to break the ground when the engine is running for the light to go out? |
Yes, that's how the idiot light indicates all's well with the generator. (That is, of course, provided all actually is okay.) But your light stays on, even tho you're sure charging system is working properly?
In addition to the idiot light, I have a VDO volt meter. It's not as good as an amperage meter at keeping an eye on how the charging system is working, but it gives a pretty good indication without the risk of heavy duty wiring running nearly the length of the vehicle twice. Do you have some way (other than the idiot light) to know how your charging system is doing? |
|
| Back to top |
|
 |
Dale M. Samba Member

Joined: April 12, 2006 Posts: 20892 Location: Just a tiny bit west of Yosemite Valley
|
Posted: Fri Nov 27, 2020 2:10 pm Post subject: Re: Alternator/generator light |
|
|
Actually a voltmeter will be better at showing "state of charge" in system than a ammeter....
Ammeter will only show if system is charging or discharging...
A high reading on volt meter indicates system is charging and the battery is being recharged and will actually indicate when it has reached it full charged capacity (roughly 13.8 to 14 volts)... A low reading on volt meter shown battery is being drained and going to a reduced state of charge(some what less than 12.8 volts) ....
Volt meter in my Jeep works better for me as even with motor running and alternator in full out put (100 AMP) I can suck my BIG AGM battery down to about 8.5 volts under heavy winch pulls.... Guess what.... ECU shuts down.... And after about a 30 minute wait IF I am lucky battery will recover enough to start Jeep... I have learned to manage pull intervals and recover intervals by what volt meter tells me...
Dale _________________ “Fear The Government That Wants To Take Your Guns"
"Kellison Sand Piper Roadster" For Street & Show.
"Joe Pody Sandrover" Buggy with 2180 for Autocross (Sold)
============================================================
All suggestions and advice are purely my own opinion. You are free to ignore them if you wish ... |
|
| Back to top |
|
 |
Skulptorchaz Samba Member

Joined: June 11, 2013 Posts: 874 Location: S.E. Indiana
|
Posted: Fri Nov 27, 2020 3:58 pm Post subject: Re: Alternator/generator light |
|
|
Yeah, all I want is an idiot light. I just need to know if it is, or isn't. Plus, a side benefit - I let a friend drive it and he threw the belt (I have never done that in all the time I had it.) and that light would also indicate that immediately and not risk an overheat.
So, the charging system forked fine before, with the diode and no light. Now it doesn't. I really would like to have a light but not sure how to make that happen. I was hoping it would be easy. (Don't we always.)
Ideas???? Cause I'm out of them.
Thanks guys. |
|
| Back to top |
|
 |
jspbtown Samba Member
Joined: January 27, 2004 Posts: 5258
|
Posted: Fri Nov 27, 2020 6:15 pm Post subject: Re: Alternator/generator light |
|
|
So.....in the most simple of terms....the wire from the ignition switch provides the + charge for the light. The 61 tab on the regulator provides the - charge.
When you turn the key on + goes to the lamp via the ignition wire. And the - charge comes from the 61 tab on the regulator.
When you start the engine the generator starts producing power and the - charge from the regulator becomes a + charge. Two + charges at the bulb makes the light go out.
So...its really not hard to test the system. First make sure you are on the 61 tab on the regulator. Second make sure its keyed+ at the bulb. Then check the 61 tab when the car is running. I know with an alternator you need to get the rpms up to about 2000 before the alternator kicks in. Not sure if thats the case with a generator. |
|
| Back to top |
|
 |
Skulptorchaz Samba Member

Joined: June 11, 2013 Posts: 874 Location: S.E. Indiana
|
Posted: Mon Nov 30, 2020 11:34 am Post subject: Re: Alternator/generator light |
|
|
Well guys, I guess I have a problem in the regulator.
As simple of a circuit as this is and as easy as it is to do, the light won't work - will not come on. A mechanic friend of mine stopped by and looked it all over for me and said the regulator is charging fine but for some reason it will not allow the light to work properly. Have any of you had this issue?
If this is an issue, I think I'll cut my losses and get a single wire alternator. Not sure it is a better set -up but it's a cleaner set-up.
Oh, btw, my buddy said in this situation, an LED will not work, because it takes so very little "juice" to actually light them up, it will want to stay on. (I have mine set up with an incandescent.)
Any thoughts? |
|
| Back to top |
|
 |
MrGoodtunes Samba Member

Joined: May 14, 2012 Posts: 1055 Location: South Florida
|
Posted: Mon Nov 30, 2020 2:28 pm Post subject: Re: Alternator/generator light |
|
|
| Maybe the problem is with the voltage regulator. Do you still have the stock mechanical one available to try? If so, be sure to provide its housing with a secure ground connection. Does your electronic regulator have its housing grounded? |
|
| Back to top |
|
 |
jspbtown Samba Member
Joined: January 27, 2004 Posts: 5258
|
Posted: Mon Nov 30, 2020 3:09 pm Post subject: Re: Alternator/generator light |
|
|
| Where is your regulator mounted? |
|
| Back to top |
|
 |
EVfun  Samba Member

Joined: April 01, 2012 Posts: 6339 Location: Seattle
|
Posted: Mon Nov 30, 2020 4:26 pm Post subject: Re: Alternator/generator light |
|
|
Your LED may be dead. Most are only rated to withstand 5 volts in the reverse direction. That light is tricky, when you first turn the ignition switch on power flows from the ignition switch through the LED to the regulator. When you turn the car off power flows the other way -- the regulator is the positive source and it flows backward through that light finding ground through the ignition coil and anything else powered only when the key is on.
That is why that dash light comes on with a stock Bug when you shut the car off, until the engine stops spinning (until the generator stops generating.) The 12 volt reverse hit will destroy an LED over time. Old fashioned light bulbs don't care about current direction. With an LED generator light it won't come on when you shut the engine off.
I have a little board with a reed relays and 100 ohm resistors I use to reverse the alternator and oil pressure lights. Now all 4 of my LED dash lights are grounded and seeking power to light. _________________
| Wildthings wrote: |
| As a general rule, cheap parts are the most expensive parts you can buy. |
|
|
| Back to top |
|
 |
Skulptorchaz Samba Member

Joined: June 11, 2013 Posts: 874 Location: S.E. Indiana
|
Posted: Tue Dec 01, 2020 11:42 am Post subject: Re: Alternator/generator light |
|
|
The regulator is grounded (not mounted) to the generator.
I don't have a mechanical regulator to try.
The LED should be fine. It just won't shut off when switch is on on when engine is running.
It's frustrating. It's a very simple circuit and yet does not work. That steers me towards the regulator having a problem. I may have caused the problem by not setting it up with a light in the beginning, and just putting a diode in that line to make it work. I didn't care about the light then but I do now. |
|
| Back to top |
|
 |
halfassleatherworks Samba Member

Joined: December 09, 2018 Posts: 810 Location: Reno NV
|
Posted: Sun Dec 20, 2020 11:44 am Post subject: Re: Alternator/generator light |
|
|
| Skulptorchaz wrote: |
Thanks Dale! Very much appreciated as always. I will try this. I went out looking for an actual schematic and found this.
It seems to be what I am looking for and way more simple than I thought. I will try it with both LED and incandescent but I may just stay with an original light in the gauge cluster if I have the socket. It's cleaner that way.
Thank you again. |
I went one better.
because the oil light and the generator both work as grounds for the light,
I tied them both into one in my buggy with a big red light.
told the new owner if it ever came on after it was started to Kill it and check first that the belt was there,
then #2 pull the wire from the regulator, and restart if it goes out oil is ok proceed to the charging system.
now the only reason I did this is I ran out of wires in the loom I was using from the front to the back of the buggy wiring for lights and all. |
|
| Back to top |
|
 |
Skulptorchaz Samba Member

Joined: June 11, 2013 Posts: 874 Location: S.E. Indiana
|
Posted: Sun Dec 20, 2020 1:09 pm Post subject: Re: Alternator/generator light |
|
|
Thanks Halfass.
Also, I just wanted to report, apparently my buddy was right and there was something amiss with the generator/regulator set up. I went with an alternator set up from my spare engine and and the dash light (incandescent) works fine.
THANK YOU to all who took time to help!!! I do appreciate it!!
Merry Christmas to all!!!!!
Chaz |
|
| Back to top |
|
 |
vamanx Samba Member
Joined: January 27, 2011 Posts: 22 Location: Stafford, VA
|
Posted: Sat May 15, 2021 9:17 am Post subject: Alternator/generator light advice needed |
|
|
| Could use the collective experience of the forum members to help me figure out why my generator light doesn't work but my volt gauge shows charging. I'm using a 1974 (early) Beetle steering column with ignition, wipers, turn signals, high beam on the column. OEM connectors at all steering column harness connectors. My wiring harness runs a wire from ignition switch #15 to the fuse block. Coming off of the D+ on the alternator I have a wire going to the generator light and from the other side of the generator light a wire going to the #15 on the fuse block(piggy back) to the #15 wire from the ignition. there is a #15 wire that runs from the coil to the opposite side of the fuse block that via the fuse hooks up the ignition and generator light #15. The generator light won't light up, but my Speehut volt gauge shows charging when RPMs reach around 1000 rpm. The diagrams in the forum show a wire running from the D+ to the generator light and from the generator light to the ignition (doesn't show which wire but I assume it would be the #15). my ignition switch doesn't allow for that routing but it since the ignition and generator wires connected at the same point I thought the effect should be the same. Thanks |
|
| Back to top |
|
 |
|