Hello! Log in or Register   |  Help  |  Donate  |  Premium Membership  |  Buy Shirts  See all banner ads | Advertise on TheSamba.com  
TheSamba.com
 

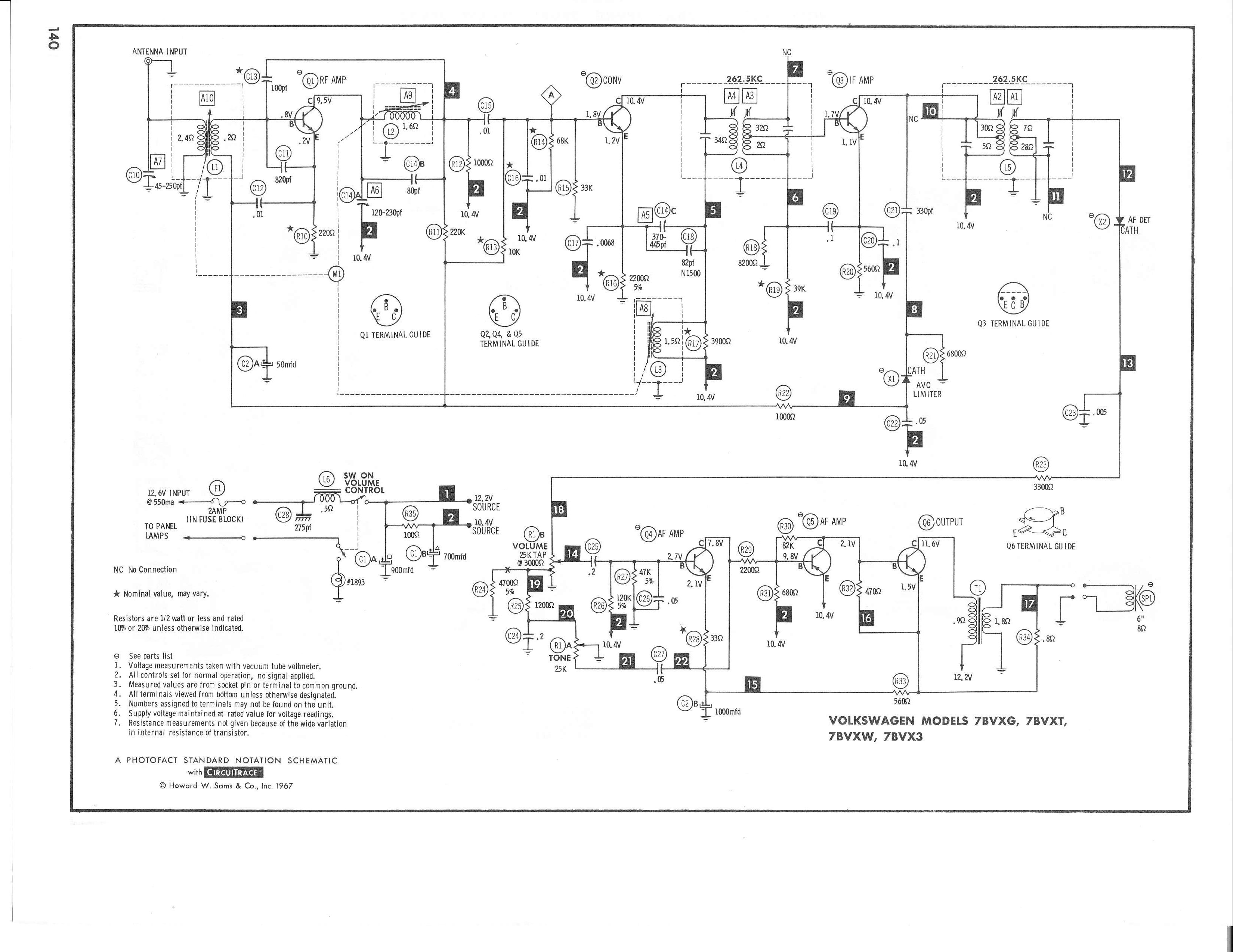
Late 1967 Sapphire V Photofact Repair Sheets
Click on any image to see it full size.

Late 1967 Sapphire V Photofact Pamphlet - PDF (3.4MB)
Please right-click on the link above and do "Save As..." to save it to your computer.


About | Help | Advertise | Donate | Premium Membership | Privacy/Terms of Use | Contact Us | Site Map
Copyright © 1996-2025, Everett Barnes. All Rights Reserved.
Not affiliated with or sponsored by Volkswagen of America | Forum powered by phpBB
Links to eBay or other vendor sites may be affiliate links where the site receives compensation.