Hello! Log in or Register   |  Help  |  Donate  |  Premium Membership  |  Buy Shirts  See all banner ads | Advertise on TheSamba.com  
TheSamba.com
 
Classifieds Index -> Parts -> General Parts
Semaphore Lamp and Turn Signal Flasher 6/12V VW Turn on always show all large photos     Ad id: 1778724
Photo
Additional Photos
Click to load image
L & R arrow keys scroll through photos
Photo Photo Photo
Photo
HAZARD SWICH WITH CABLE
Photo Photo
Box option with no voltage converter
Photo
Box option with no voltage converter
Photo
TRUN SIGNAL CONTROLLER NO SEMAPHORS 62-67
Semaphore Lamp and Turn Signal Flasher 6/12V VW   Price: $245
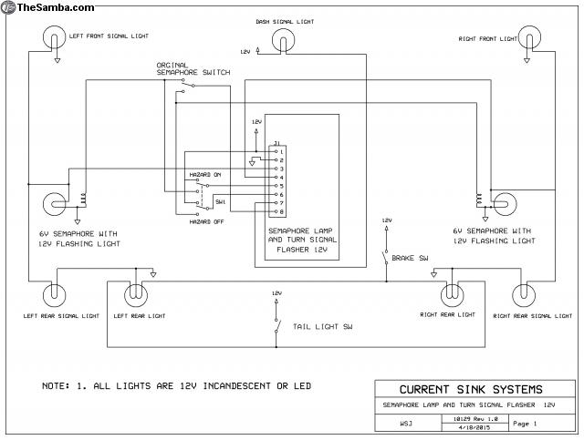
The solid state SEMAPHORE LAMP AND TURN SIGNAL FLASHER is a flasher and lamp driver designed to upgrade cars without factory turn signals. This is a EURO (3 circuit system) type turn signal controller that operates a single circuit for the front and rear turn signal with to option to flash the Semaphore bulb. The brake lights operate with the factory wiring. You have the option to leave the dash light wired to the Semaphores or use the flashing driver from the controller. The stock Semaphore switch is used to operate the Semaphores and the Turn Signal Flasher, maintaining the original stock look. The flasher will operate with 6 or 12 Volt electrical systems. For 6 to 12 Volt upgrades all lights are replaced with 12 Volt LED or standard incandescent lights in any combination, rear, front and dash. 6 Volt semaphores can be used in a 12 Volt system with the optional 12 Volt to 6 Volt converter.

The stock SEMAPHORE turn signal switch can be used or a new switch can be mounted in any location. The controller is 100% solid state, there are no relays or mechanical flashers to wear out and fail. The Semaphore Lamp and Turn Signal Flasher will operate with or without Semaphores and will drive any combination of LED or standard incandescent 6 or 12 Volt bulbs. The hazard function can be added with an optional external switch. See options.

The Semaphore Lamp and Turn Signal Flasher adds all the functions of the Euro turn signal switch, turn signal flasher, hazard flasher, Semaphore 12V to 6V converter and Semaphore Controller, which costs over $300. Designing a relay turn signal system with limited reliability could take you several days to design, build, install and troubleshoot.

Don’t risk an accident or ticket because your Beetle does not have the required turn signal functions. 99.9% of the general public does not know what a semaphore indicates.

VIDEOS:
https://www.youtube.com/watch?v=3XFD9G7YWI4

NOTES:
1. The dash light can wired to the controller for a flashing indicator or left connected to the Semaphores.
2. The lamp driver outputs are connected to LED's on the PCB to make installation and testing easy.
3. The hazard function is operated with a DPST switch.
4. EURO (3 filament system) type turn signal controller that operates the front and rear turn signal. The brake lights operate with the factory wiring.
5. The Semaphore Lamp and Turn Signal Flasher is designed to operate in a 6* or 12 V system with 6 or 12 V semaphores. The stock semaphore wiring is not modified unless you want the dash or semaphore lights to flash.
6. To flash the Semaphore lamp, you need connect a wire from the Semaphore lamp to the Semaphore Lamp and Turn Signal Flasher.
7. The Semaphore Lamp and Turn Signal Flasher detects the semaphore voltage to start the turn signals flashing, when the semaphore is turned off, the signal is turned off.
8. The front turn signal lamp is not required for the rear turn signals to operate.
9. The controller is 4.75”X3.5”X2.25” and 4.75”X3.5”X3.0” with the 12V to 6V Semaphore voltage converter. A smaller box is available for the controller without the 12V to 6V Semaphore voltage converter W=2 L=4 H=1.6.
11. The controller is designed to drive bulbs with 24 Watts or less. The flash period time is not effected by bulb wattage.
12. The EURO 3 circuit bulb/LED configuration is wired with the brake switch going directly to the brake bulbs/LEDs and not connected to the controller.
13. Another option to install the three bulb/LED configuration would be to add a bumper mounted amber LEDs. Seen in the following video.
https://www.youtube.com/watch?v=3XFD9G7YWI4
14. The same circuit was used in a Turn Signal Flasher controller which was sold on 5/15/2007 and it's still in operation without any problems after 10 years.

The following LED tail light assemblies are compatible with my EURO 3 circuit Semaphore Lamp and Turn Signal Flasher.
1. The 62-67/EURO 3 Circuit style. http://www.thesamba.com/vw/classifieds/detail.php?id=1267895

2. The 55-61/EURO 3 Circuit snowflake style. http://www.thesamba.com/vw/classifieds/detail.php?id=892796

WARRANTY:
CURRENT SINK SYSTEMS warrants products to be free from defects in materials and workmanship for a period of ONE year from the date of purchase.
Contact: Wayne at 408 396-0676 in Gilroy, CA
Shipping: $25 in USA, I accept ONLY Postal money orders from USA buyers and Western Union outside the USA. Priority Mail outside the USA $62.

* Options:
1. 12 Volt to 6 Volt converter for 6 Volt Semaphores in a 12 Volt system, mounted under the controller. $75
2. Hazard switch with 3' cable. $50
3. Shipping insurance is optional. If you do not pay for shipping insurance, I will not replace lost or damaged items. Send your location for cost.
Advertiser information Ad information
Advertiser:
Name:
Member since:
Wayne S. Johnson
Wayne Johnson
April 12, 2006
Contact advertiser

Phone: Click to Show

Email this Advertiser
Email this Advertiser
Location: 
Ad placed: 
Ad renewed: 
Ad last edited: 
Views: 
Category: 
Gilroy, California, USA Map it
Fri Apr 17, 2015 6:38 pm
Wed Dec 10, 2025 8:31 pm
Wed Apr 10, 2024 2:56 pm
3198
Parts - General Parts
View other ads View profile Search for Feedback Watch this ad | Report this Ad
Watch this seller Share: Email Facebook Twitter
Other ads from Wayne S. Johnson
See all | See ads in this category
Rebuilt 12V Starter tested working great
Rebuilt 12V Starter tested working great
Sapphire V Bluetooth RCA out for Power Amp
Sapphire V Bluetooth RCA out for Power Amp
Hybrid 6V Starter on a 12V Flywheel
Hybrid 6V Starter on a 12V Flywheel
1968 Electric Beetle EV
1968 Electric Beetle EV
Volt Gauge 6 Volts
Volt Gauge 6 Volts


About | Help | Advertise | Donate | Premium Membership | Privacy/Terms of Use | Contact Us | Site Map
Copyright © 1996-2025, Everett Barnes. All Rights Reserved.
Not affiliated with or sponsored by Volkswagen of America | Forum powered by phpBB
Links to eBay or other vendor sites may be affiliate links where the site receives compensation.