| Author |
Message |
excalibur5 Samba Member
Joined: January 24, 2025 Posts: 11 Location: Alaska
|
Posted: Thu Aug 14, 2025 5:41 pm Post subject: Q on Vanagon Manual Transmission Leak - how critical |
|
|
I have a leak in my transmission, on the drivers side, Not quite sure how bad, but just drained and refilled, and after 3 days had a 1' diameter puddle on the garage floor, so likely around a cup leaked out.. It is leaking from the drivers side axle shaft, and appears to have had a slow leak for a while.
It is leaking from under the flexible black plate at the bottom of the transaxle.
When I checked the oil level prior to draining, it was about 1" below the fill hole, and appears to be a very slow leak, until the oil is full and up to the level of the fill plug..
How serious is this - I have a serious drive coming up next month (12 hours with no services available).. |
|
| Back to top |
|
 |
bobhill8  Samba Member

Joined: June 09, 2017 Posts: 804 Location: MA
|
Posted: Thu Aug 14, 2025 5:50 pm Post subject: Re: Q on Vanagon Manual Transmission Leak - how critical |
|
|
Most people would not drive it 12 hours in that condition. Some would. Some others wouldn't even know there was a leak or pay any attention to it. If you have a month before this big drive, maybe you have time to fix it? _________________ 1986 Westy
1971 Squareback |
|
| Back to top |
|
 |
excalibur5 Samba Member
Joined: January 24, 2025 Posts: 11 Location: Alaska
|
Posted: Thu Aug 14, 2025 5:56 pm Post subject: Re: Q on Vanagon Manual Transmission Leak - how critical |
|
|
Sorry, mistyped.. Next week is this trip, not month..
The leak is at the flexible plate at the bottom of the cv shaft joint to the transmission (the black plate under the CV shaft end in this photo)
https://www.thesamba.com/vw/gallery/pix/1664100.jpg
I had no idea of the leak, and it obviously has been going on for a while. Not sure how bad that seal is to replace in a couple days with limited parts available.. |
|
| Back to top |
|
 |
dougnlina  Samba Member

Joined: January 19, 2016 Posts: 316 Location: San Francisco, CA
|
Posted: Thu Aug 14, 2025 6:03 pm Post subject: Re: Q on Vanagon Manual Transmission Leak - how critical |
|
|
That plate just clocks/locks the Bearing ring, it is leaking from either the wiper seal or the o-ring that seals the previously mentioned bearing ring. See this thread with a bunch of photos and diagrams.
https://www.thesamba.com/vw/forum/viewtopic.php?t=747620&highlight=axle+seal
You SHOULD replace the seal, the o-ring, the clip cover, and the clip. This is not that bad of a job, 1 hour if you have done it before, three if you are a neophyte. I personally would not drive it 12 hours with it leaking that much, you are asking for the oil to get low enough to damage the transmission, especially on a longer drive, x2 without services available.
DP _________________ "Grover" a '87 Syncro Poptop 1.8T
"Olive" a '60 Ragtop Beetle (retired)
"Kermit" '79 Westfalia (retired)
"Patches" '72 Beetle (retired)
"Wilbur" '69 Camper (retired)
"Bernice" 67 Beetle, My first love, (Also Retired) |
|
| Back to top |
|
 |
?Waldo? Samba Member

Joined: February 22, 2006 Posts: 10134 Location: Where?
|
Posted: Thu Aug 14, 2025 6:03 pm Post subject: Re: Q on Vanagon Manual Transmission Leak - how critical |
|
|
A one-foot diameter puddle after three days sounds dramatic to me.
Check the atmospheric bleed and make sure it isn't plugged with crud.
I assume what you are calling the flexible black plate is the diff adjusting ring lock. Assuming that is correct, leak is either the drive flange seal (most likely) or the O-ring around the diff adjuster. There's a thread on hear detailing how to swap the drive flange seals. |
|
| Back to top |
|
 |
excalibur5 Samba Member
Joined: January 24, 2025 Posts: 11 Location: Alaska
|
Posted: Thu Aug 14, 2025 6:06 pm Post subject: Re: Q on Vanagon Manual Transmission Leak - how critical |
|
|
| Got the manual out, it is leaking from under the differential adjusting ring lock ring. Not sure where the shaft seal is in that assembly. |
|
| Back to top |
|
 |
dougnlina  Samba Member

Joined: January 19, 2016 Posts: 316 Location: San Francisco, CA
|
Posted: Thu Aug 14, 2025 6:43 pm Post subject: Re: Q on Vanagon Manual Transmission Leak - how critical |
|
|
_________________ "Grover" a '87 Syncro Poptop 1.8T
"Olive" a '60 Ragtop Beetle (retired)
"Kermit" '79 Westfalia (retired)
"Patches" '72 Beetle (retired)
"Wilbur" '69 Camper (retired)
"Bernice" 67 Beetle, My first love, (Also Retired) |
|
| Back to top |
|
 |
WiboBusMan Samba Member

Joined: September 26, 2009 Posts: 172 Location: Canada
|
Posted: Thu Aug 14, 2025 6:56 pm Post subject: Re: Q on Vanagon Manual Transmission Leak - how critical |
|
|
Not sure if you picked a stock photo, or if that is your actual rig... The point being, I don't see any oil leak. I will assume this is your rig and would mention the transaxle case looks pretty good - not super oxidized as we see some of them. I would not immediately suspect a crack in the case.
Several things going on here...
The CV-joint flange has a cap (seal) in the center of it. It can sometimes be blown out of place by internal pressure build-up, as the transaxle warms up, if your case vent is plugged.
See Bentley page 35.2 for an image of the cap.
Agreed with Waldo that I would suspect this cap as the culprit, given the quantity of oil you describe.
The cap can also be pierced by the axle knocking on it, if you get into the relatively rare situation of wild harmonic swinging of the axle in the axial direction (in and out).
This center flange cap is accessible when you remove the CV. Remove the cap; clean the sealing surface - "dry" it of oil with a solvent; replace the cap with or without a silicone sealer. If surfaces are in good shape, you shouldn't need the sealant and without it, it makes life easier next time round.
Other than the o-ring mentioned by Waldo (unlikely culprit IMHO), the outside of the flange rides on an oil seal that may be worn beyond it's usefulness, but this usually would be a rather slow leak. Or, if the flange seal surface is worn (a groove worn where it rides on the sealing lip), that too can cause a leak, even with a good seal.
See Bentley 35.14 for image of this oil seal and the o-ring mentionned.
Changing that seal is a bit more challenging: remove CV; remove the cap; remove the circlip; pull flange; pull oil seal; clean up sealing surfaces; replace oil seal and reinstall in reverse order. you should lube the flange sealing surface before you push it into the seal.
One of the challenges with the job is that the circlip is on top of a spring washer and you need quite a push to get the circlip properly in place - easier with transaxle pulled, but quite doable while under the bus.
If the flange sealing surface is compromised this post can help with that: https://www.thesamba.com/vw/forum/viewtopic.php?p=10406980&highlight=#10406980
I wouldn't touch the differential ring unless I was certain it was the o-ring that was the source of the leak, and as I said - unlikely that is your described leak. If you don't put the differential ring EXACTLY back in the right place (depth), you could affect your ring and pinion.
Good luck.
W _________________ Science has sacrificed Truth on the altar of its narrative. |
|
| Back to top |
|
 |
E1 Samba Member
Joined: January 21, 2013 Posts: 8761 Location: Westfalia, Earth
|
Posted: Thu Aug 14, 2025 7:12 pm Post subject: Re: Q on Vanagon Manual Transmission Leak - how critical |
|
|
Not suggesting you shouldn’t attend to this!
But pour out an ounce of gear oil and let sit overnight. It’ll be a good foot across.
We had a large engine oil puddle from a mainseal leak a couple years back. Until we could replace it, I poured out an ounce of water next to the oil puddle, and it matched it in size (about 8 by 30 inches, on concrete). We were stunned, then relieved, and fixed it eight months later.
Oil is certainly thicker than water in a resting puddle, but you get the idea. Guarantee your puddle is nowhere near a cup of oil.
Regardless, that long a drive wouldn’t stress me with a mainseal and a dipstick, but probably would with a gearbox.
Good Luck. _________________ If ever twice as rich, we’re gettin’ a double-wide
’84 “Westfailure”/2.1 Digijet/5.43 Ring & Pinion/Peloquin/D-rated BFG KO2s
AI has spoken to further illiteracy, to steal, to cheat, and to replace humans
The caveman’s first question to the headhunter: “Hey, you got any coffee?” |
|
| Back to top |
|
 |
Wildthings Samba Member

Joined: March 13, 2005 Posts: 52709
|
Posted: Thu Aug 14, 2025 10:07 pm Post subject: Re: Q on Vanagon Manual Transmission Leak - how critical |
|
|
The worst part of changing an output flange seal can be removing the bolts for the CV joint. You need the correct tool/adapter, which could be either a 6mm hex or an 8mm triple square, or maybe BOTH. You want an adapter that is 3-4" long as a shorter one even with an extention will not do the job as well. Any time you mess with a CV, even just to move it out of the way to get at the seal you should have a roll of paper towels on hand and multiple shop rags. To remove the snap ring that holds the flange to the shaft you need a pair of duckbill snap-ring pliers. A sturdy seal puller helps as well.
Since you are removing at least one end of the axle on the side and maybe both if you don't want to have the axle in your way you should also consider cleaning and regreasing the CV's on that side and carefully evaluate the boots to make sure they have many miles left in them. Even if you don't want to service the CVs you should still have a tube of Moly grease available to refill the cavity in the output flange with grease.
It is also better to have a torque wrench for tightening the CV bolts as the application is torque critical and having CV bolts come lose or break will ruin your day or maybe your week. The specified torque is 33 ft*lbs.
FWIW a tablespoon of gear oil will make a 1' diameter circle on concrete and leakage from a output flange seal will like diminish considerably once the oil level drops an inch or so.
If you have never replaced a shaft seal before you should plan on messing one up, so buy an extra, you will need it for the other side soon enough if you don't need it now. |
|
| Back to top |
|
 |
the_benjamin_effect Samba Member

Joined: May 31, 2010 Posts: 343 Location: Gateway to the North Cascades, Washington State
|
Posted: Thu Aug 14, 2025 10:47 pm Post subject: Re: Q on Vanagon Manual Transmission Leak - how critical |
|
|
excalibur5,
This is a job a good DIY Vanagon home mechanic can perform, provided you have the proper tools, and nothing is stuck/stripped (CV bolts).
As others have suggested, I'd start with the inspection of the flange "cap" that is exposed after dropping the trans side CV and wiping out the grease. Check if the CV grease is contaminated and diluted with gear oil, this will be your first indication that it is the "cap" seal. The "cap" seal can be replaced and resealed with out removal of the flange. Recommend Permatex 25228 or something similar for sealing the cap in place. And with any sealant or RTV, make sure your surfaces are well cleaned of grease/oil/contaminants.
If the grease is normal and not diluted, I'd move to the flange seal as the culprit. This requires removal of the flange, which in most part is not an issue if you are familiar with lockrings and circlips, a SpeediSleeve PN: SKF 99177 may be wise to have on hand if the flange-to-seal dynamic surface is worn after you have it in hand to inspect. Read the thread that dougnlina posted, as I have posted my recent experience there as well. DanHaug has a good writeup about his experience with the SpeedieSleeve that gave me some confidence to proceed with one.
last case scenario, it could be the "adjustment collar O-ring", again mentioned in here in this thread.
A few last notes:
- Get a decent pair of snapring pliers with the flat surface (needed for flange snapring. And a decent pair of circlip pliers that dont have the interchangeable heads (they will always break and leave you tooless at the most inopportune time).
-You'll need a small selection of drift pins/ and or pin punches. I found them useful for seating the snapring against convex washer, and to ensure it is well seated in the groove center of trans shaft.
Here is my order from BusLabs from this year for the procedure. A few items omitted, but ordered from other sites are (ordered from VC I believe):
-Differential Flange Concave Spring Washer.
-Transmission Adjusting Ring Lock Cap
_________________ -1967 Sundial Camper 1914cc "Sunny"
-1978 Deluxe Westfalia Jake Raby built PowerStroke 2109cc "Westy"
-1987 SYNCRO Westfalia GoWesty 2400cc "Ruby"
-2000 Subaru Impreza Sport EJ22 ¼ million miles "Trusty"
International Association of Machinists and Aerospace Workers. I.A.M. 751
International Brotherhood of Naval Flight Engineers. I.B.N.F.E. LOCAL 8251
U.S. NAVY Retired; Senior Chief Flight Engineer, P-3 Orion and EP-3E Aries II
U.S.S. Carl Vinson, VFA-22, VQ-2, VQ-1, VP-30 |
|
| Back to top |
|
 |
dobryan  Samba Member

Joined: March 24, 2006 Posts: 17306 Location: Brookeville, MD
|
|
| Back to top |
|
 |
DanHoug Samba Member

Joined: December 05, 2016 Posts: 5920 Location: Bemidji, MN
|
Posted: Fri Aug 15, 2025 6:17 am Post subject: Re: Q on Vanagon Manual Transmission Leak - how critical |
|
|
being in Alaska and your trip is next week, if you don't have time to get parts and do repair, carry a couple quarts of gear oil, a gear oil pump (used for outboard lower units), and the filler wrench. top off as necessary but before you hear noise!
with that large of an oil leak, the rear end of you van should be covered with dots of gear oil, rilly noticeable after driving on a gravel road. hard to wash off too.
do strongly consider (ok, mandatory in my opinion) the Speedi Sleeve on the flange. i HATE that drip hanging there on nearly every VW transaxle i've owned and the S.S. does just stop it. _________________ -dan
60% of what you find on the internet is wrong, including this post.
'87 Westy & '89 Westy both 2.1 4spd
Past projects can be found at--
www.thefixitworkshop.com |
|
| Back to top |
|
 |
kevinm Samba Member
Joined: September 08, 2008 Posts: 133 Location: Minneapolis, MN
|
Posted: Fri Aug 15, 2025 2:02 pm Post subject: Re: Q on Vanagon Manual Transmission Leak - how critical |
|
|
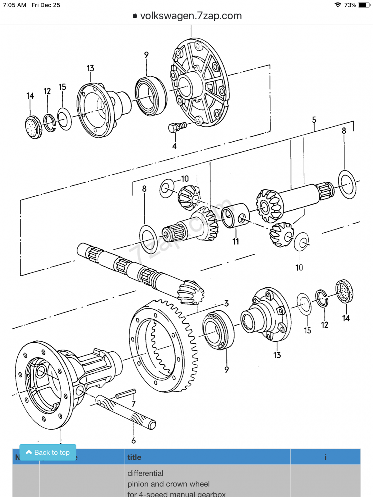
I just did this on my 90 syncro westy and agree with the recommendation of the_benjamim_effect. In my case, I unbolted the driver side inner CV and found it contaminated with oil, so I then removed the cap (14), snap-ring (12), Belleville washer (15) and then the flange (13). Since the inner CV was contaminated, I also removed the entire drive side axle and then cleaned up the inner CV and refilled it with grease before re-installing it. The outer CV and both boots looked good to me, but it's a certainly a good time to re-inspect everything before reinstalling.
As others have suggested, the differential ring is an unlikely source of the leak. Fortunately my case, it was very dry and clean round the ring, so I did not attempt to replace the o-ring (19). I replaced only the oil seal (20) and cap (14), along with a new snap ring (again, 12).
Even though the cap area looked clean, I sealed it with a small amount of RTV all the way around to prevent any seepage.
Before inserting the CV bolts, I scrubbed out the holes with a small bristled brush used to clean straws. My goal was to have no CV grease on any of the threads before torquing the bolts.
As suggested above, the right tools help...
- Snap ring pliers: I found a good used pair of Knipex 45 10 170 pliers which worked great, but anything similar will work.
- To remove outer CVs, it's really helpful but not critical to have a long-bitted tool, as you can then retorque the bolts without using an extension. My CV's have triple square bolts (but you may have hex bolts, so check) and used a Tekton SHB18408 which worked great for both removal and re-install.
- Basic brushes to clean the bolt holes. These worked for me:
https://www.amazon.com/Reusable-Cleaning-Cleaner-Drinking-Tumbler/dp/B0DBC2TSG8
- Kevin _________________ 90 Syncro Westy, "Ludwig" |
|
| Back to top |
|
 |
fxr Samba Member

Joined: December 07, 2014 Posts: 2686 Location: Bay area CA
|
Posted: Fri Aug 15, 2025 3:42 pm Post subject: Re: Q on Vanagon Manual Transmission Leak - how critical |
|
|
Can we please have confirmation from the OP that the small transmission vent hole is free and open?
As if that is blocked, as most neglected ones will be, that'll produce some weeping from the weakest seal whenever the pressure inside builds up from heat.
Just a toothpick test will do... _________________ Jim Crowther
1984 1.9l EJ22 Westy Wolfsburg Edition
Vespa GTS 300 |
|
| Back to top |
|
 |
Wildthings Samba Member

Joined: March 13, 2005 Posts: 52709
|
Posted: Fri Aug 15, 2025 8:36 pm Post subject: Re: Q on Vanagon Manual Transmission Leak - how critical |
|
|
If the oil is running out from behind the plastic nut then it is most likely the shaft seal and if not that the o-ring.
If it is dripping off the joint between the CV and the flange of coming out at the boot, it is the cap has failed.
Oil, gear oil in particular is a bit of a trickster and can frequently end up leaking from one place and dripping from another far away. |
|
| Back to top |
|
 |
excalibur5 Samba Member
Joined: January 24, 2025 Posts: 11 Location: Alaska
|
Posted: Sun Aug 17, 2025 3:53 pm Post subject: Re: Q on Vanagon Manual Transmission Leak - how critical |
|
|
Thanks all for your help. Got everything back together (electing to not change out the seal yet - that's a winter project). I'm going to carry the oil and the appropriate tools to top it up if necessary. As was said, with any significance to the leak, it should be relatively obvious by oil spots on the back of the van. It has never had any, and from the grime on the outside of the transmission, it is obvious the leak has been slow and there for a long, long time.
I'm going to go ahead and try it - keep a close eye on the rig and I'll carry up top off supplies. |
|
| Back to top |
|
 |
fxr Samba Member

Joined: December 07, 2014 Posts: 2686 Location: Bay area CA
|
Posted: Mon Aug 18, 2025 2:05 am Post subject: Re: Q on Vanagon Manual Transmission Leak - how critical |
|
|
But have you checked the tiny vent-hole is clear, as asked a couple of times above? If that clogs, the inside of the transmission case gets considerably pressurised as it heats up, and can force oil past a seal that otherwise would have kept the oil in. _________________ Jim Crowther
1984 1.9l EJ22 Westy Wolfsburg Edition
Vespa GTS 300 |
|
| Back to top |
|
 |
jimf909 Samba Member

Joined: April 03, 2014 Posts: 8259 Location: WA/ID
|
Posted: Mon Aug 18, 2025 2:55 am Post subject: Re: Q on Vanagon Manual Transmission Leak - how critical |
|
|
| fxr wrote: |
| But have you checked the tiny vent-hole is clear… |
Seriously, two 90th (95th?) percentile smart guys have mentioned this maintenance item that might fix the problem or at least mitigate it. Once the breather clogs the oil is coming out of the next easiest place.
As for adding small amounts of oil, in addition to the pump mentioned, I really like a syringe like this. It reaches to the fill hole w/out spilling and will tell you exactly how much oil was needed. Devices like this also work well for removing and adding oil in small engines, etc.
https://www.harborfreight.com/automotive/lubricant...59513.html
_________________ - Jim
| Butcher wrote: |
| This is the main fault with DIY'ers, they get together on these forums and pat themselves on their backs spreading bad information. |
Guilty as charged.
Current: 1990 Westy Camper - Bostig RG4, 2wd, manual trans w/Peloquin, NAHT high-top, 280 ah LFP battery, 160 watts solar, Flash Silver, seam rust, bondo, etc., etc.
Past: 1985 Westy Camper - 1.9 wbx, 2wd, manual trans, Merian Brown, (sold after 17 years to Northwesty who converted it to a Syncro). |
|
| Back to top |
|
 |
E1 Samba Member
Joined: January 21, 2013 Posts: 8761 Location: Westfalia, Earth
|
Posted: Mon Aug 18, 2025 7:14 am Post subject: Re: Q on Vanagon Manual Transmission Leak - how critical |
|
|
Great info on the atmospheric vent, good to know!
I searched a while wanting to know its location and this shows it really well:
https://www.thesamba.com/vw/forum/viewtopic.php?p=6675665 _________________ If ever twice as rich, we’re gettin’ a double-wide
’84 “Westfailure”/2.1 Digijet/5.43 Ring & Pinion/Peloquin/D-rated BFG KO2s
AI has spoken to further illiteracy, to steal, to cheat, and to replace humans
The caveman’s first question to the headhunter: “Hey, you got any coffee?” |
|
| Back to top |
|
 |
|